087   Inhalt   089

Reparaturanleitung VW-Transporter / Bus ab 1968


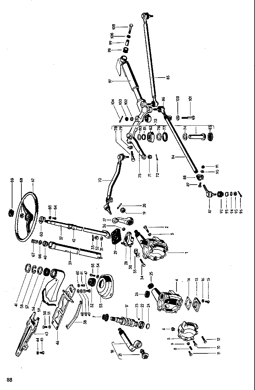
Bild 94: Montagebild von Lenkung und Lenkungsgestänge

087   Inhalt   089