075   Inhalt   077

Reparaturanleitung VW-Transporter / Bus ab 1968


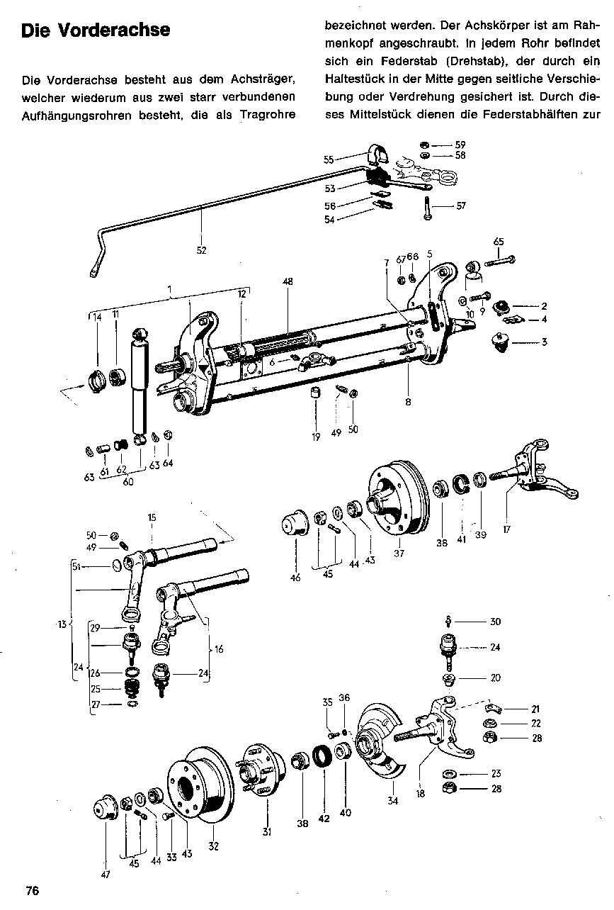
Die Vorderachse



075   Inhalt   077