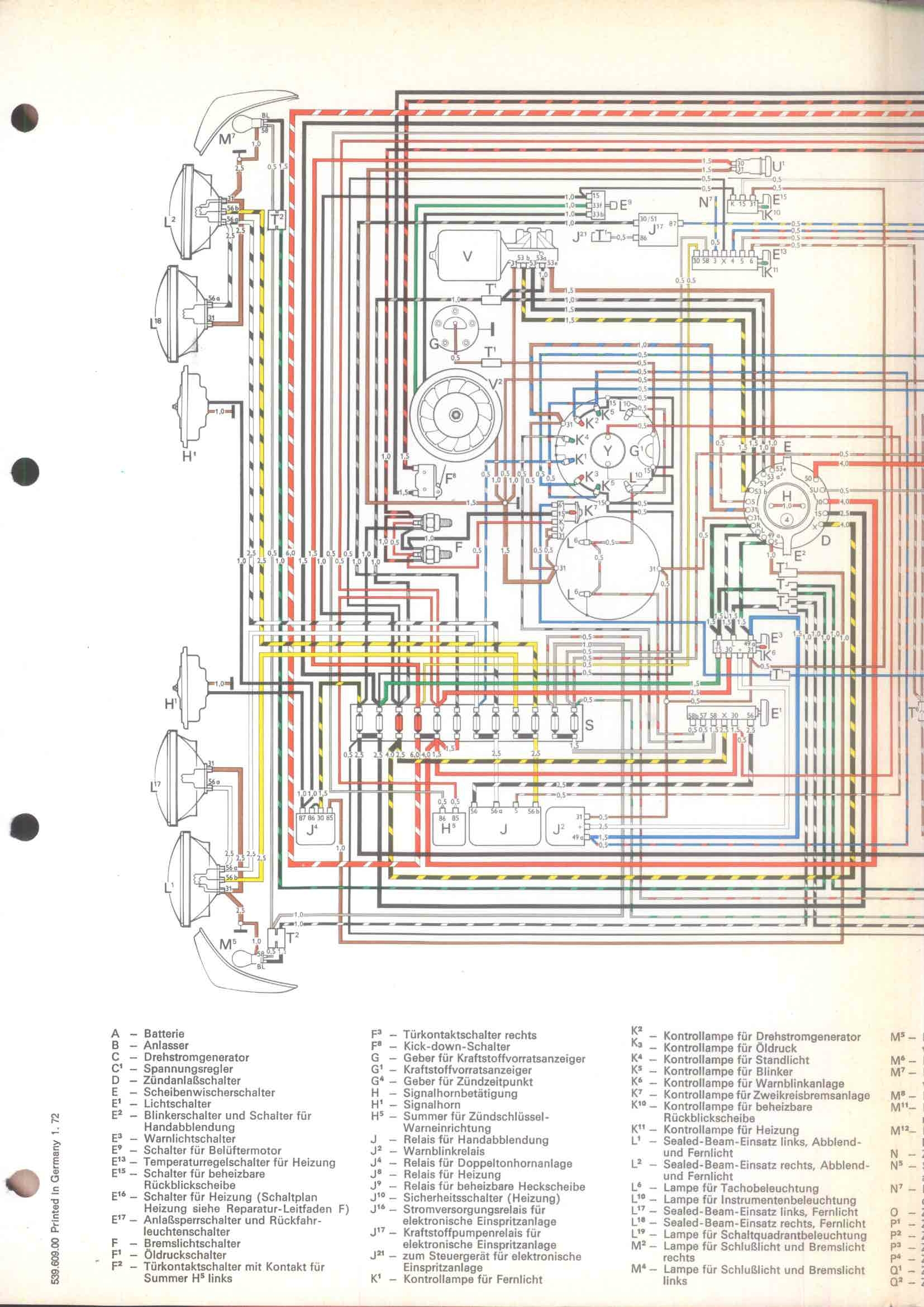
RLF Elektrik I, E1.2/14-3



vorherige Seite