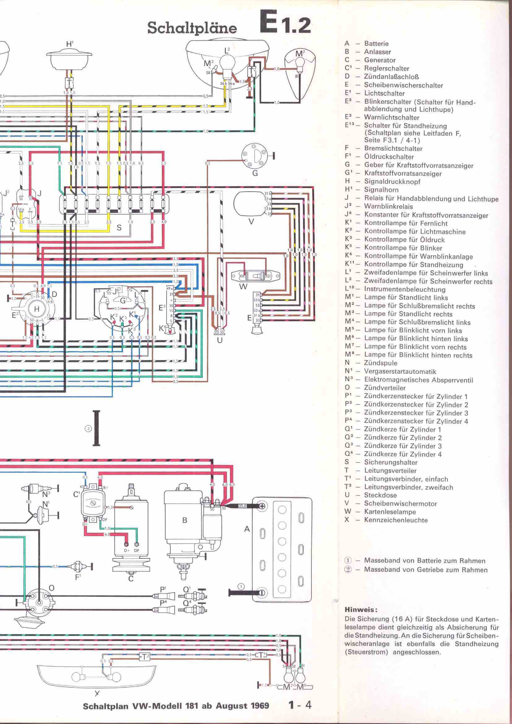
RLF Elektrik I, E1.2/1-4



vorherige Seite     nächste Seite