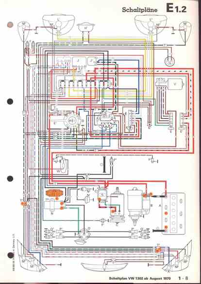
RLF Elektrik I, E1.2/1-8



vorherige Seite     nächste Seite