Reparaturleitfaden Bremsen, Räder, Reifen, Hydr. Kupplungsbetätigung: B1.8/1-1

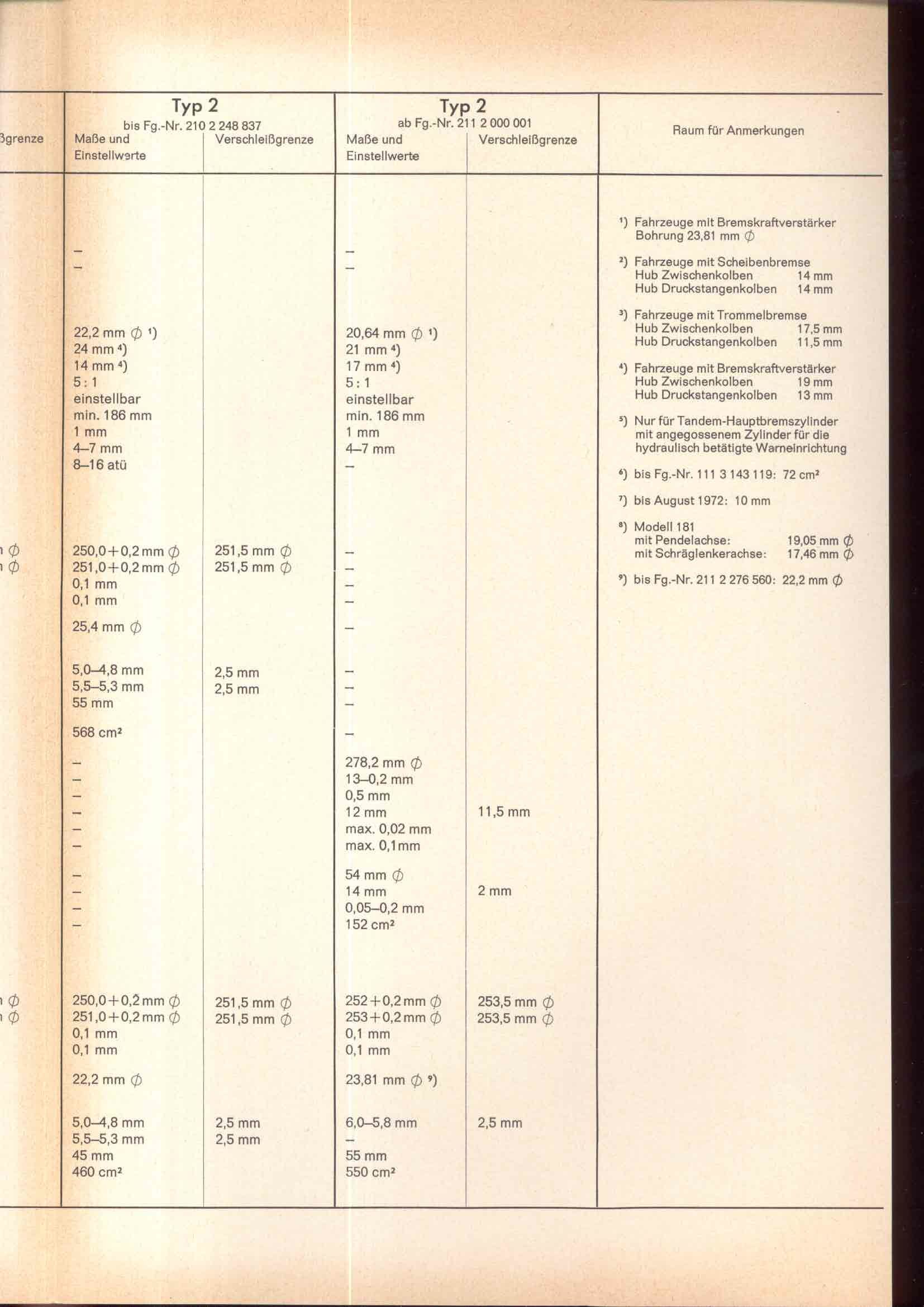
Maße und Einstellwerte     (siehe auch: TM B-3, TM B-12, TM B-15, TM B-34)

   

Übersicht